Từ Thông Là Gì? Công Thức Tính Từ Thông, Cảm Ứng Điện Từ Lớp 11

1. Từ thông là gì?

Từ thông, hay còn gọi là thông lượng từ trường, là một đại lượng vật lý đặc trưng cho “lượng” từ trường đi xuyên qua một tiết diện được giới hạn bởi đường cong kín. Hiểu một cách đơn giản hơn, từ thông chính là từ trường được sinh ra từ một khung dây đồng cuốn thành hình vòng tròn. Số vòng dây này sẽ được đi xuyên qua 1 thanh nam châm vĩnh cửu, số vòng tuỳ thuộc ứng dụng để quấn.

từ thông là gì

Nguyên tắc của từ thông là thể hiện cho hiện tượng từ xuyên qua nam châm vĩnh cửu. Nam châm tạo ra từ trường càng lớn thì lượng từ thông được sản sinh ra lại càng nhiều.

2. Đơn vị của từ thông là gì? Ví dụ và nguyên lý tạo ra từ thông

Đơn vị của từ thông là “phi”, ký hiệu là .

Ngoài ra, từ thông còn được gọi là “vê be”, ký hiệu là Wb. Tuy nhiên, đơn vị phổ biến để biểu thị từ thông.

Từ thông được tạo ra bởi nguyên lý như sau:

Xét một tiết diện tên là S được giới hạn bởi đường cong ©.

– Từ thông đặc trưng cho “lượng” từ trường đi qua S ⇒ S càng lớn thì từ trường qua nó càng nhiều ⇒ Φ tỉ lệ với S.

– Từ thông đặc trưng cho “lượng” từ trường ⇒ hiển nhiên Φ tỉ lệ với cảm ứng từ B (đại lượng đặc trưng cho độ mạnh hay yếu của từ trường).

– Khi đi xuyên qua mặt phẳng của tiết diện S, dễ thấy rằng các đường cảm ứng từ đi qua S nhiều nhất trong trường hợp vectơ B vuông góc với mặt phẳng S và không có đường cảm ứng từ nào đi qua S khi vectơ B song song với mặt phẳng S ⇒ “lượng” từ trường qua mặt S còn phụ thuộc vào góc α tạo bởi vectơ pháp tuyến của mặt S và $vec{B}$ => Φ tỉ lệ với cos α.

3. Công thức tính từ thông

3.1. Công thức tính từ thông qua khung dây

Công thức tính từ thông qua khung dây là: Φ = N.B.S.cosα

Trong đó:

  • Φ: từ thông được sinh ra từ hiện tượng cảm ứng điện từ

  • N: tổng số vòng dây tạo thành khung dây

  • B: các dòng cảm ứng từ

  • S: diện tích

  • α: góc được tạo bởi 2 vectơ pháp tuyến của cảm ứng từ và khung dây

Lưu ý rằng, để đảm bảo rằng góc α luôn là góc nhọn, từ thông sẽ luôn ở trạng thái dương.

3.2. Công thức tính từ thông cực đại

Từ thông cực đại được sinh ra khi góc α là 0º độ hoặc 180º. Khi ấy, cảm ứng điện từ và từ trường tiết diện S sẽ chạy song song với nhau và không tạo ra góc.

Công thức tính từ thông cực đại là: Φmax = B.S

2.3. Công thức từ thông cực tiểu

Từ thông cực tiểu nghĩa là không có hiện tượng xuất hiện từ thông. Khi từ góc α = 90 độ và góc n tạo với B một góc vuông thì từ thông không sinh ra.

4. Hiện tượng cảm ứng điện từ

4.1. Dòng điện cảm ứng là gì?

Để hiểu được hiện tượng cảm ứng từ, ta cần hiểu được định nghĩa về dòng điện cảm ứng. Theo lý thuyết, dòng điện cảm ứng được tạo ra bởi sự tác động giữa số vòng dây quấn và nam châm vĩnh cửu. Trong lúc này, dù nam châm di động chạy xa hay lại gần số vòng dây ở một khoảng cách cố định, thì chắc chắn điện và từ thông xung quanh khung dây sẽ được sinh ra. Đây là điều kiện xuất hiện dòng điện cảm ứng.

Dòng điện cảm ứng - từ thông

4.2. Định luật Faraday về cảm ứng điện từ

Định luật Faraday được mô tả thông qua thí nghiệm:

Thí nghiệm 1: Cho 1 nam châm và 1 ống dây có mắc điện kế để phát hiện dòng điện sinh ra trong ống dây. Khi nam châm và ống dây đứng yên thì trong ống dây không xuất hiện dòng điện. Khi nam châm và ống dây chuyển động tương đối nhau thì trong lúc chuyển động, trong ống dây sẽ sinh ra dòng điện.

Thí nghiệm trên cho biết từ trường lúc này không sinh ra dòng điện, nhưng khi đường sức từ qua ống dây thay đổi thì dòng điện xuất hiện chạy qua ống dây.

Định luật Fa-ra-đây - từ thông

Thí nghiệm 2: Thí nghiệm gồm mạch điện có chứa 1 cuộn dây lồng trong vòng dây có kim điện kế. Khi đóng hoặc ngắt mạch điện hoặc dịch chuyển biến trở, sao cho dòng điện trong mạch thay đổi, thì trong thời gian dòng điện trong mạch sẽ thay đổi, trong vòng dây xuất hiện dòng điện chạy qua, nghĩa là khi số đường sức từ đi xuyên qua ống dây biến đổi thì trong vòng dây xuất hiện dòng điện.

4.3. Định luật Lenz về chiều dòng điện cảm ứng

Định luật Lenz phát biểu rằng: Dòng điện cảm ứng phải có chiều điện thỏa mãn từ trường do nó sinh ra có thể chống lại nguyên nhân sinh ra nó. Hiểu đơn giản nghĩa là, khi từ thông tăng lên qua mạch, từ trường cảm ứng sẽ sinh ra để chống lại sự tăng đó. Từ trường cảm ứng lúc này sẽ ngược chiều với từ trường bên ngoài.

Hình minh họa dưới đây giải thích định luật Lenz bằng quy tắc “Bàn tay phải”:

Trường hợp 1: Di chuyển gần cuộn dây

Sự tăng lên của từ thông qua cuộn dây sẽ làm dòng điện cảm ứng sinh ra. Dòng điện này có chiều, và từ trường do dòng điện cảm ứng sinh ra sẽ có xu hướng chống lại từ thông ban đầu.

Quy tắc bàn tay phải - định luật Lenz từ thông riêng của một mạch kín

Trường hợp 2: Nam châm di chuyển xa cuộn dây

Khi từ thông đi qua cuộn dây giảm đi, kim của điện kế lệch sang bên trái. Áp dụng quy tắc bàn tay phải, ta thấy được rằng dòng điện tạo ra một từ trường cùng chiều với chiều từ trường của nam châm. Nghĩ là dòng điện sinh ra có tác dụng chống lại sự giảm của từ thông khi ta di chuyển nam châm ra xa cuộn dây.

Quy tắc bàn tay phải trường hợp 2 - định luật Lenz từ thông

4.4. Dòng điện Fu – cô

Thí nghiệm chứng tỏ rằng dòng điện cảm ứng xuất hiện trong các khối kim loại khi chúng chuyển động trong một từ trường hoặc là được đặt bên trong từ trường biến thiên theo thời gian. Dòng điện cảm ứng này gọi là dòng điện Fu – cô. Theo đó, dòng điện Fu – cô chính là dòng điện cảm ứng cho nên nó cũng có khả năng chống lại các chuyển động tương đối của khối kim loại và có thể tác dụng nhiệt để làm nóng khối kim loại đó.

Dòng điện Fu-co - từ thông

Dòng điện Fu – cô có thể gây hại (làm nóng máy biến áp dễ gây cháy nổ) hoặc có lợi (ứng dụng thực tế trong bộ phận phanh điện từ của một số dòng ô tô; dùng để đốt nóng kim loại có trong một số lò tô).

5. Ý nghĩa của từ thông và ứng dụng của cảm ứng điện từ

5.1. Trong đời sống

Trong đời sống, từ thông và cảm ứng điện từ có ứng dụng rất nhiều trong các thiết bị điện như:

  • Bếp từ: Bếp từ được hoạt động dựa trên nguyên lý của hiện tượng cảm ứng điện từ. Khi cắm nguồn bếp điện từ, dòng điện xoay chiều được truyền qua cuộn dây đồng và cùng lúc sinh ra từ trường biến thiên trên cuộn dây. Khi nồi được đặt lên bếp từ, đáy nồi sẽ nhiễm từ và dòng điện Fu – cô được sinh ra. Từ đó, hiệu ứng tỏa nhiệt Jun – Lenxơ xuất hiện và làm nóng đáy nồi, từ đó có thể làm chín thức ăn.

nguyên lý hoạt động của bếp từ dựa trên từ thông cảm ứng điện từ

  • Quạt điện: Các loại quạt điện nói riêng và các thiết bị làm mát nói chung đều hoạt động dựa theo nguyên lý của hiện tượng cảm ứng điện từ. Khi đó, dòng điện biến đổi sẽ thành từ trường khiến động cơ hoạt động và cánh quạt quay.

5.2. Trong công nghiệp

  • Tạo dòng điện xoay chiều để chế tạo máy phát điện: Cấu tạo chính của máy phát điện sẽ bao gồm các dây dẫn điện được quấn trên 1 lõi sắt (Stato) cùng với 1 nam châm vĩnh cửu. Dòng điện Fu-cô chạy trong kim loại nên có khả năng chuyển cơ năng thành năng lượng dòng điện. Nguồn cơ năng sơ cấp chính là động cơ tua bin gió, tua bin nước, tua bin hơi ngoài ra còn có động cơ đốt trong và các nguồn cơ năng khác.

  • Máy biến dòng: Hay còn gọi là máy biến dòng điện/C.T. Đây là một loại thiết bị chuyên sử dụng để biến đổi dòng điện từ giá trị cao sang dòng điện chuẩn 5A và 10A.

Máy biến dòng áp dụng từ thông

  • Máy biến điện (Máy biến áp): Áp dụng cảm ứng điện tử để biến đổi dòng điện xoay chiều. Máy biến áp là một thiết bị có tác dụng thay đổi năng lượng điện xoay chiều tại cấp điện áp này sang cấp khác thông qua hoạt động của từ trường. Một máy biến áp giảm áp là trong đó điện áp trong sơ cấp cao hơn điện áp thứ cấp. Ngược lại là máy tăng áp. Các công ty điện lực sử dụng máy biến áp (tăng áp) để tăng điện áp tới 100kV nhằm giúp giảm dòng điện và giảm thiểu tổn thất điện năng trong các đường dây truyền tải. Mặt khác, các mạch điện gia dụng sử dụng các máy biến áp giảm áp để giảm điện áp xuống mức 220V phù hợp sử dụng các thiết bị điện trong nhà.

  • Máy đo lưu lượng điện từ/cảm biến đo lưu lượng: Cấu tạo của các loại cảm biến đo lưu lượng này là 1 đường ống cách điện; trong đó chất lỏng đang chảy. Theo định luật Faraday, suất điện động cảm ứng sinh ra trong ống tỷ lệ thuận với tốc độ của chất lỏng chảy. Khi ta tính được suất điện động này sẽ suy ra được vận tốc của chất lỏng chảy bên trong đường ống.

Đăng ký ngay để được các thầy cô xây dựng lộ trình và nắm trọn kiến thức lớp 10 – 11

5. Bài tập từ thông

Bài 1: Cho 1 vòng dây phẳng có giới hạn diện tích bằng 5cm2. Đặt vòng dây trong từ trường đều và cảm ứng từ B = 0,1T. Mặt phẳng vòng dây tạo với vectơ B một góc bằng 30 độ. Tính giá trị từ thông qua diện tích đã cho.

Giải:

$alpha=(vec{n},vec{B})=60^{circ}$

$phi=N.BS.cosalpha=25.10^{-6}Wb$

Bài 2: Cho 1 khung dây đặt bên trong vùng từ trường đều xuất hiện cảm ứng từ B = 0,06T. Khung dây đặt vuông góc so với các đường sức từ. Từ thông qua khung dây có giá trị 1,2.10-5 Wb. Tính giá trị bán kính của vòng dây.

Giải:

$alpha=(vec{n},vec{B})=0^{circ}$

$phi=N.BS.cosalpha=Bpi R^{2}cosalpha Rightarrow R=8.10^{-3}m$

Bài 3: Cho 1 khung dây phẳng, giới hạn diện tích bằng 5 cm2, quấn thành 20 vòng dây đặt trong vùng từ trường đều, cảm ứng từ B = 0,1T. Khung dây được đặt trong mặt phẳng khung dây hợp với vectơ cảm ứng từ 1 góc 60 độ. Tính giá trị từ thông thông qua diện tích giới hạn trên.

Giải:

$alpha=(vec{n},vec{B})=30^{circ}$

$phi=N.BS.cosalpha=8,7.10^{-4} Wb$

Bài 4: Cho 1 khung dây hình vuông cạnh 5 cm. Đặt khung dây bên trong 1 vùng từ trường đều có cảm ứng từ bằng B = 8.10-4 T. Giá trị của từ thông qua hình vuông đó là 8.10-6 Wb. Tính giá trị góc hợp giữa vectơ pháp tuyến của hình vuông và vectơ cảm ứng từ.

Giải:

$phi=N.BS.cosalpha Rightarrow cosalpha = 0,5 Rightarrow = 60^{circ}$

Bài 5: Đặt 1 thanh nam châm thẳng gần với khung dây kín hình chữ nhật ABCD (như hình). Xác định chiều dòng điện cảm ứng xuất hiện trong khung dây 2 trong trường hợp:

a/ Đưa nam châm lại gần với khung dây hình chữ nhật

b/ Kéo nam châm ra xa với khung dây

Giải:

a/ Với trường hợp đưa nam châm lại gần với khung dây (từ trường nam châm có hướng – vectơ B). Từ thông đi qua khung dây tăng lên, dòng điện cảm ứng xuất hiện trong khung dây sinh ra từ trường cảm ứng ngược chiều với từ trường ngoài của vectơ B (hiện tượng chống lại sự tăng của từ thông xuyên qua khung dây). Do đó, dòng tiền cảm ứng chạy trên cạnh AB theo chiều từ B đến A (xác định nhờ quy tắc bàn tay phải).

b/ Khi đưa nam châm di chuyển ra khung dây, từ thông xuyên qua khung dây giảm, dòng điện cảm ứng từ xuất hiện trong khung dây, sinh ra từ trường cảm ứng cùng chiều với từ trường bên ngoài (hiện tượng chống lại sự giảm của từ thông qua khung dây). Do đó, dòng điện cảm ứng chạy trên AB theo chiều từ A đến B.

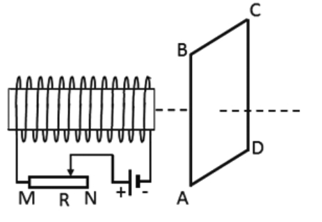
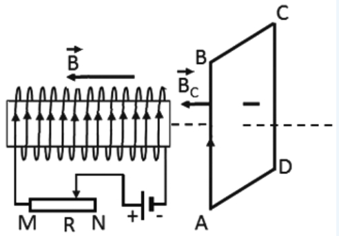
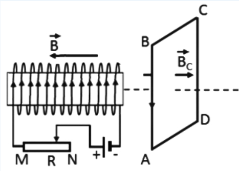
Bài 6: Cho 1 ống dây được quấn trên 1 lõi thép có dòng điện chạy qua. Đặt ống dây đó gần 1 khung dây kín ABCD (như hình). Nhờ biến trở có con chạy R, cường độ dòng điện trong ống dây có thể thay đổi. Xác định chiều dòng điện cảm ứng trong các trường hợp sau đây:

a/ Di chuyển con chạy về phía điểm N.

b/ Di chuyển con chạy về phía điểm M.

Minh hoạ giải phần a bài 6 - từ thông

Giải:

Áp dụng quy tắc bàn tay phải, ta suy ra được chiều của từ trường trong ống dây có dạng như hình vẽ.

a/ Khi con chạy R di chuyển về điểm M, cường độ dòng điện tăng, điện trở của biến trở giảm, từ trường, từ thông qua khung dây tăng, dòng điện cảm ứng xuất hiện trong khung dây lúc này sinh ra từ trường cảm ứng ngược chiều với từ trường ngoài (hiện tượng chống lại sự tăng của từ thông). Do vậy, dòng điện cảm ứng chạy trên AB theo chiều từ B đến A.

Hình minh hoạ bài tập 6 - từ thông

b/ Khi con chạy R di chuyển về phía điểm N, cường độ dòng điện qua ống dây giảm, điện trở của biến trở tăng lên, từ thông và từ trường giảm. Lúc này, dòng điện cảm ứng xuất hiện trong khung dây sẽ gây ra từ trường cảm ứng, cùng chiều với từ trường ngoài (hiện tượng chống lại sự giảm của từ thông). Do vậy, dòng điện cảm ứng chạy trên AB theo chiều từ điểm A đến điểm B.

Hình minh hoạ phần b bài 6 - từ thông

Bài 7: Xác định chiều của dòng điện cảm ứng trong các hình sau:

thực hành xác định dòng điện cảm ứng - từ thông

Giải:xác định chiều của dòng điện cảm ứng - bài tập từ thông

Bài 8: Xác định cách dịch chuyển nam châm thoả mãn điều kiện dòng điện cảm ứng xuất hiện như trong hình ảnh:

thực hành xác định chiều dòng điện cảm ứng - từ thông

Giải:

Hình a: Nam châm đi xuống lại gần vòng dây

Hình b: Nam châm đi lên ra xa vòng dây

Hình c: Nam châm đi xuống lại gần vòng dây

Hình d: Nam châm đi lên lại gần vòng đây

Hình e: Nam châm đi xuống và ra xa vòng dây

Hình f: Nam châm đi xuống và ra xa vòng dây

Bài 9: Xác định cực của nam châm trong các hình sau:

Thực hành xác định cực của nam châm - bài tập từ thông

Giải:

Hình a: S bên trái, N bên phải

Hình b: N bên trái, S bên phải

Hình c: N bên trái, S bên phải

Hình d: N bên trái, S bên phải

Hình e: S ở trên, N ở dưới

Hình f: S ở trên, N ở dưới

Hình g: N ở trên, S ở dưới

Hình h: N ở trên, S ở dưới

Bài 10: Xác định chiều của dòng điện cảm ứng trường hợp khung dây kín ABCD sau đây khi biết cảm ứng từ B đang giảm dần:

Giải:

  • Do cảm ứng từ B đang giảm nên từ thông sẽ giảm, vậy cảm ứng từ Bc sẽ cùng chiều với cảm ứng từ B.

  • Áp dụng quy tắc bàn tay phải, ta suy ra được chiều của dòng điện cảm ứng cùng chiều kim đồng hồ.

Bài viết đã tổng hợp toàn bộ kiến thức về từ thông, cảm ứng điện từ cũng như các dạng bài tập liên quan. Hy vọng rằng các em học sinh sẽ tổng kết cho mình được những phần kiến thức về từ thông – cảm ứng điện từ hữu ích nhất. Để đọc và học nhiều hơn về các kiến thức ôn thi THPT Quốc gia, các em hãy truy cập ngay trang web giáo dục Vuihoc.vn hoặc liên hệ với trung tâm hỗ trợ nhé!