Toàn bộ lý thuyết định luật ôm (ohm) và bài tập thực hành

Video bài giảng cùng chủ đề được tạo bằng Notebooklm.google.com

Phát biểu định luật ôm là gì?

Định luật ôm là định luật vật lý về sự phụ thuộc vào cường độ dòng điện của hiệu điện thế và điện trở.

1. Nội dung định luật ôm là gì?

Nội dung định luật ôm: Cường độ dòng điện đi qua 2 điểm của một vật dẫn điện luôn có tỷ lệ thuận với hiệu điện thế đi qua 2 điểm đó, và cường độ dòng điện tỷ lệ nghịch với điện trở của dây dẫn.

Định luật ôm được biểu diễn bằng hệ thức sau:

I = U/R

Trong đó:

  • I là cường độ dòng điện đi qua vật dẫn (đơn vị là ampe, ký hiệu: A)

  • U là điện áp trên vật dẫn (đơn vị là vôn, ký hiệu: V)

  • R là điện trở (đơn vị là ôm, ký hiệu: Ω)

  • Hiệu điện thế của dây dẫn là sự chênh lệch về điện thế giữa hai cực của 1 nguồn

  • Điện trở dây dẫn (R) chỉ đặc trưng tính chất cản trở dòng điện.

Lưu ý: trong định luật Ohm, điện trở R không phụ thuộc vào cường độ dòng điện và R luôn luôn là hằng số.

2. Lịch sử ra đời định luật ôm

Định luật Ohm được đặt tên theo nhà vật lý học nổi tiếng người Đức – Georg Ohm. Định luật được phát hành năm 1827 trên một bài báo, mô tả các phép đo điện áp và cường độ dòng điện qua một mạch điện đơn giản gồm có nhiều dây với độ dài khác nhau. Thực tế, ông trình bày một phương trình phức tạp hơn một chút so với công thức trên để giải thích kết quả thực nghiệm của mình.

Công thức định luật ôm đối với đoạn mạch chỉ chứa điện trở

Cường độ dòng điện chạy qua đoạn mạch chỉ chứa điện trở R tỷ lệ thuận với hiệu điện thế U đặt vào hai đầu đoạn mạch và tỉ lệ nghịch với điện trở R.

Công thức định luật ôm cho đoạn mạch được tính bằng công thức sau:

I = U/R hay U = I.R

Trong đó:

  • I là cường độ dòng điện đi qua vật dẫn (A)
  • U là điện áp trên vật dẫn (V)
  • R là điện trở (Ω)

Đối với đoạn mạch có điện trở mắc nối tiếp:

R = R1 + R2 + … + Rn

U = U1 + U2 + … + Un

I = I1 = I2 = … = In

Đối với đoạn mạch có điện trở mắc song song:

1/R = 1/R1 + 1/R2 +…+1/Rn

U = U1 = U2 = … = Un

I = I1 +I2 + … + In

Định luật ôm cho toàn mạch

1. Phát biểu định luật ôm đối với toàn mạch

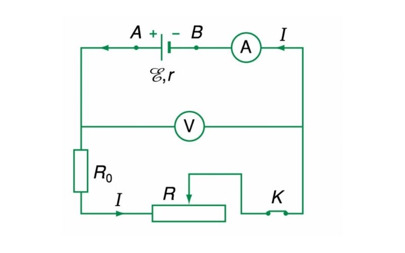
Thí nghiệm:

Cho một mạch điện như hình bên dưới:

Trong đó, ampe kế (có R rất nhỏ) đo cường độ I của dòng điện chạy trong mạch điện kín, vôn kế (có R rất lớn) đo hiệu điện thế mạch ngoài Un và biến trở cho phép thay đổi điện trở mạch ngoài.

Tiến hành thí nghiệm với mạch điện này cho các giá trị I và Un như bảng dưới đây:

Đồ thị biểu diễn các giá trị đo này:

Phát biểu định luật ôm đối với toàn mạch: Cường độ dòng điện chạy trong mạch điện kín tỉ lệ thuận với suất điện động của nguồn điện, và tỉ lệ nghịch với điện trở toàn phần của mạch đó.

2. Công thức định luật ôm cho toàn mạch

Công thức định luật ôm toàn mạch được tính bằng:

Trong đó:

  • I : Cường độ dòng điện của mạch kín (A)
  • E: Suất điện động (V)
  • R : Điện trở ngoài (Ω)
  • r : Điện trở trong (Ω)

3. Nhận xét từ công thức định luật ôm cho toàn mạch

Hiện tượng đoản mạch

  • Đây là hiện tượng xảy ra khi nối hai cực của một nguồn điện chỉ bằng dây dẫn có điện trở rất nhỏ.

  • Khi xảy ra hiện tượng đoản mạch, dòng điện chạy qua mạch sẽ có cường độ rất lớn và gây nên sự cố chập mạch điện, đây là một trong những nguyên nhân của nhiều vụ cháy (RN ≈ 0) :

I = E/r

Định luật ôm cho toàn mạch với định luật bảo toàn và chuyển hóa năng lượng

  • Công của nguồn điện sản ra trong thời gian t: A = E.It

  • Nhiệt lượng tỏa ra trên toàn mạch

  • Theo định luật bảo toàn năng lượng:

=> Định luật Ôm đối với toàn mạch hoàn toàn phù hợp với định luật bảo toàn và chuyển hoá năng lượng.

Hiệu suất của nguồn điện

  • Công thức hiệu suất của nguồn điện:

  • Nếu mạch ngoài chỉ có điện trở RN:

Xem thêm: Giải thích điện trở của dây dẫn, công thức tính & bài tập thực hành

Bài tập vận dụng định luật ôm

Bài 1: Điện trở tương đương của đoạn mạch AB có sơ đồ như trên hình vẽ là RAB =10 Ω , trong đó các điện trở R1 = 7 Ω ; R2 = 12 Ω. Hỏi điện trở Rx có giá trị nào dưới đây?

A. 9 Ω

B. 5 Ω

C. 15 Ω

D. 4 Ω

Bài 2: Điện trở R1 = 6 Ω, R2 = 9 Ω, R3 = 15Ω chịu được dòng điện có cường độ lớn nhất tương ứng là I1 = 5A, I2 = 2A, I3 = 3A. Hỏi có thể đặt một hiệu điện thế lớn nhất là bao nhiêu vào hai đầu đoạn mạch gồm 3 điện trở mắc nối tiếp với nhau?

A. 45V

B. 60V

C. 93V

D. 150V

Bài 3: Khi mắc nối tiếp hai điện trở R1 và R2 vào hiệu điện thế 1,2V thì dòng điện chạy qua chúng có cường độ I = 0,12A.

a) Tính điện trở tương đương của đoạn mạch nối tiếp này.

b) Nếu mắc song song hai điện trở nói trên vào hiệu điện thế 1,2V thì dòng điện chạy qua điện trở R1 có cường độ I1 gấp 1,5 lần cường độ I2 của dòng điện chạy qua điện trở R2. Tính điện trở R1và R2.

A. Rtđ = 10 Ω, R1 = 4V, R2 = 6 Ω

B. Rtđ = 10Ω , R1 = 6V, R2 = 4 Ω

C. Rtđ = 2,4Ω , R1 = 4V, R2 = 6 Ω

D. Rtđ = 2,4Ω , R1 = 6V, R2 = 4 Ω

Bài 4: Cho mạch điện có sơ đồ như hình vẽ dưới đây:

Trong đó điện trở R1 = 14 , R2 = 8 , R3 = 24 . Dòng điện đi qua R1 có cường độ là I1 = 0,4A.Tính cường độ dòng điện I2, I3 tương ứng đi qua các điện trở R2 và R3?

A. I2 = 0,1A; I3 = 0,3A

B. I2 = 3A; I3 = 1A

C. I2 = 0,1A; I3 = 0,1A

D. I2 = 0,3A; I3 = 0,1A

Bài 5: Cho mạch điện như hình vẽ sau:

Trong đó có các điện trở R1 = 9Ω , R2 = 15Ω , R3 = 10Ω . Dòng điện đi qua R3 có cường độ là I3= 0,3A. Tính hiệu điện thế U giữa hai đầu đoạn mạch AB.

A. 6,5V

B. 2,5V

C. 7,5V

D. 5,5V

ĐÁP ÁN:

Bài 1: D

Bài 2: B

Bài 3: A

Bài 4: D

Bài 5: C

Trên đây là bài viết tổng hợp toàn bộ những lý thuyết về định luật ôm mà các em sẽ được học trong môn vật lý. Hy vọng rằng, thông qua bài viết trên, các em đã có thể nắm chắc lý thuyết và vận dụng được nhiều trong các bài tập. Cảm ơn các em đã theo dõi và đón đọc bài viết.