Trong lĩnh vực kỹ thuật, thiết kế và sản xuất, bản vẽ chi tiết đóng một vai trò quan trọng. Đó là phương tiện truyền đạt, cung cấp thông tin một cách chính xác và đầy đủ, giúp đảm bảo chất lượng và độ chính xác của sản phẩm cuối cùng. Nhưng cụ thể hơn, công dụng của bản vẽ chi tiết là gì? Hãy cùng tìm hiểu sâu hơn về vấn đề này trong bài viết dưới đây của ATC Machinery.
Trả lời câu hỏi trắc nghiệm công dụng của bản vẽ chi tiết là gì?
Công dụng của bản vẽ chi tiết là:
A. Dùng để chế tạo chi tiết máy
B. Dùng để kiểm tra chi tiết máy
C. Dùng để chế tạo và kiểm tra chi tiết máy
D. Đáp án khác
Đáp án đúng là: C
Công dụng của bản vẽ chi tiết là gì?
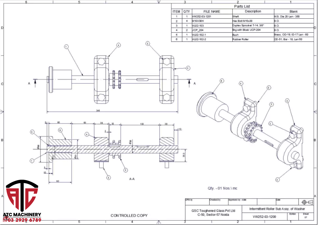
Công dụng của bản vẽ chi tiết là thể hiện hình dạng, kích thước, cấu tạo, vật liệu, yêu cầu kỹ thuật và các thông tin cần thiết của chi tiết máy trên bản vẽ. Bản vẽ chi tiết là một loại tài liệu kỹ thuật quan trọng, đóng vai trò thiết yếu trong quá trình sản xuất và chế tạo cơ khí. Bản vẽ chi tiết máy được ví như ” bản đồ” và chi tiết trong bản vẽ là ” kho báu”. Đồng thời bản vẽ chi tiết cần phải đáp ứng các tiêu chuẩn bản vẽ kỹ thuật cơ khí. Công dụng của bản vẽ chi tiết là dùng để:
- Hướng dẫn chế tạo: Bản vẽ chi tiết dùng để cung cấp đầy đủ thông tin của chi tiết/sản phẩm cho thợ gia công, giúp đảm bảo sản phẩm được chế tạo chính xác theo thiết kế. Ngoài ra bản vẽ chi tiết máy còn giúp thống nhất ngôn ngữ kỹ thuật giữa bộ phận thiết kế và bộ phận chế tạo.
- Kiểm tra chất lượng sản phẩm sau gia công: Công dụng của các hình biểu diễn trên bản vẽ chi tiết là thước đo đối chiều sản phẩm có đạt yêu cầu kỹ thuật hay không, giúp phát hiện và sửa chữa sai sót trong quá trình chế tạo.
- Lập kế hoạch sản xuất: Trên các bản vẽ chi tiết thể hiện thông tin về số lượng vật liệu cần thiết, thời gian gia công, công nghệ gia công,… Chính những thông tin này giúp lập kế hoạch sản xuất hiệu quả, tính toán chi phí sản xuất và dự toán giá thành sản phẩm.
- Lưu trữ thông tin: Là tài liệu lưu trữ thông tin về chi tiết máy, giúp truy xuất thông tin dễ dàng khi cần thiết.
- Sử dụng trong giáo dục và đào tạo: Là tài liệu giảng dạy và học tập cho sinh viên ngành kỹ thuật cơ khí, giúp học viên hình dung và hiểu rõ cấu tạo, nguyên lý hoạt động của các chi tiết máy.

Bản vẽ chi tiết là gì? Thế nào là bản vẽ chi tiết?
Bản vẽ chi tiết là loại bản vẽ thể hiện đầy đủ các hình dạng đồng thời thể hiện chi tiết các kích thước và yêu cầu kỹ thuật. Đây được coi là tài liệu kỹ thuật được sử dụng trong sản xuất và chế tạo để cung cấp thông tin chi tiết về sản phẩm thiết kế. Khi đọc bản vẽ chi tiết người ta đọc các hình biểu diễn để biết thông tin như: hình dạng, kích thước, vật liệu, bề mặt, vị trí, tính năng kỹ thuật và các yêu cầu khác liên quan đến sản phẩm.

Bản vẽ chi tiết thường được dùng để định hướng cho các kỹ sư cơ khí, kỹ thuật viên sản xuất, nhà thiết kế hay những người có liên quan khác trong quá trình sản xuất, lắp ráp cũng như sửa chữa sản phẩm. Nó có thể được dùng để đảm bảo tính chuẩn xác và đồng bộ giữa các bộ phận cũng như đảm bảo chất lượng và hiệu quả của sản phẩm.
Thông thường, bản vẽ chi tiết được dùng để hướng dẫn công việc sản xuất hoặc lắp ráp sản phẩm, hoặc cũng có thể được dùng để kiểm tra sản phẩm cuối cùng. Bản vẽ chi tiết có thể được tạo ra bằng cách vẽ trên giấy hoặc từ phần mềm vẽ cắt CNC – CAD như SolidWorks hoặc AutoCAD. Bản vẽ chi tiết cần được thực hiện một cách cẩn thận và chính xác để đảm bảo sản phẩm cuối cùng được sản xuất/ lắp đặt đúng cách, nhanh chóng và hoạt động tốt.
Nội dung của bản vẽ chi tiết bao gồm những gì?

Nội dung của bản vẽ chi tiết phụ thuộc vào mục đích sử dụng của sản phẩm và yêu cầu kỹ thuật của quá trình sản xuất. Thông thường, 1 bản vẽ chi tiết gồm những mục sau đây:
Các hình biểu diễn
Hình chiếu theo các phương gồm: hình chiếu bằng, hình chiếu chính và hình chiếu cạnh. Thậm chí, một số trường trường hợp còn kèm cả hình chiếu thiết kế 2D, 3D để giúp người đọc dễ dàng chi tiết hóa các hình khối và thể hiện được những hình cắt và mặt cắt. Tùy đặc điểm hình dạng và cấu tạo của từng chi tiết, người vẽ chọn các loại hình biểu diễn thích hợp sao cho với số lượng hình biểu diễn ít nhất mà thể hiện được đầy đủ hình dạng và cấu tạo của chi tiết, đồng thời có lợi cho việc bố trí bản vẽ.
Trong các bản vẽ cơ khí, biểu diễn ở vị trí hình chiếu thẳng đứng chính là hình chiếu chính của bản vẽ. Nó biểu thị đặc điểm về hình dạng của chi tiết và phản ánh vị trí làm việc hay vị trí gia công của chi tiết. Mặt chính của bộ phận chính là nơi cung cấp thông tin hình học. Sản phẩm sẽ được mô tả chi tiết ở dạng 2D, phác thảo chính xác hình dạng khi được nhìn từ ngoài vào. Với hầu hết bộ phân, việc sử dụng 2 hoặc 3 hình chiếu chính diện để xem trực diện cũng đủ mô tả chính xác hình dạng bất kì của chi tiết.
Mặt cắt của bộ phận được sử dụng để xem chi tiết bên trong bộ phận. Có thể có nhiều bản vẽ mặt cắt trong 1 bản vẽ kỹ thuật. Các mũi tên của đường cắt cho biết hướng nhìn. Thông thường, hình chiếu mặt cắt được căn chỉnh sao cho chúng thẳng hàng với hình chiếu chính diện.
Khung tên, bản vẽ
Khi đọc bản vẽ chi tiết người ta đọc khung tên để biết các thông tin chính của sản phẩm cần gia công. Khung tên của bản vẽ chi tiết gồm: tên gọi tiêu chuẩn của chi tiết, vật liệu gia công, số lượng cần chế tạo, dung sai hình học, tỉ lệ bản vẽ so với vật thật, tên cơ sở thiết kế, tên nhà thiết kế,… Khung tên nằm dọc theo cạnh của khung ở góc phía dưới bên phải bản vẽ.
Kích thước
Kích thước được thể hiện đầy đủ, chính xác và phù hợp với độ lớn của từng bộ phận chi tiết máy cần thiết cho quy trình chế tạo và kiểm tra sản phẩm. Kích thước gồm có kích thước chung và kích thước các phần của chi tiết, kích thước lắp ghép giữa các chi tiết và kích thước xác định khoảng cách giữa các chi tiết.
Các yêu cầu kỹ thuật
Phần này gồm những ký hiệu về giá trị độ nhẵn bề mặt, dung sai hình học, dung sai kích thước cho phép, các yêu cầu về nhiệt luyện hay những chỉ dẫn, ghi chú về gia công, kiểm tra và điều chỉnh,… Tuy nhiên, phần này cũng đòi hỏi những người nắm được kiến thức cơ bản thì mới có thể hiểu được hết ý nghĩa của từng kí hiệu.
Cách đọc bản vẽ chi tiết chính xác và đầy đủ

Các yêu cầu khi đọc bản vẽ cơ khí
Để đọc bản vẽ kỹ thuật yêu cầu nhân viên phải hiểu một cách chính xác và đầy đủ về nội dung của bản vẽ. Cụ thể là:
- Hiểu rõ tên gọi, công dụng các bộ phận, chất liệu và tính chất của vật liệu tạo nên chi tiết, số lượng cũng như khối lượng của chi tiết.
- Căn cứ vào các hình biểu diễn để hình dung được hình dạng và các bộ phận của chi tiết.
- Hiểu ý nghĩa của các số đo và kích thước đo, các ký hiệu độ nhám bề mặt và phương pháp gia công, yêu cầu kỹ thuật và phương pháp đảm bảo các yêu cầu này.
- Hiểu rõ nội dung của các ký hiệu và yêu cầu kỹ thuật ghi trên bản vẽ.
Trình tự đọc bản vẽ chi tiết
Đọc bản vẽ chi tiết cần theo một trình tự rõ ràng, bao gồm 5 bước sau đây:
- Bước 1: Đọc nội dung ghi trong khung tên gồm tên sản phẩm, chi tiết máy, tỷ lệ, vật liệu, ký hiệu bản vẽ,…
- Bước 2: Đọc hình biểu diễn: phân tích hình chiếu và hình cắt.
- Bước 3: Đọc phân tích kích thước gồm kích thước chung, kích thước các phần của chi tiết, kích thước lắp giữa các chi tiết và kích thước xác định khoảng cách giữa các chi tiết.
- Bước 4: Đọc yêu cầu kỹ thuật gồm: chỉ dẫn về gia công và xử lý bề mặt.
- Bước 5: Tổng hợp: mô tả hình dáng, cấu tạo chi tiết và công dụng của chi tiết.
Tham khảo thêm: Những phần mềm khắc laser thông dụng bạn nên biết
So sánh bản vẽ chi tiết và bản vẽ lắp ráp
Bản vẽ chi tiết và bản vẽ lắp là hai khái niệm thường xuyên được nhắc đến trong ngành này. Tuy nhiên, mấy ai biết rõ sự giống và khác nhau của hai bản vẽ này?
Giống nhau
- Đều là bản vẽ kỹ thuật, có các hình biểu diễn, kích thước và khung tên.
- Đọc bản vẽ chi tiết và bản vẽ lắp thường theo trình tự nhất định.
- Khi đọc bản vẽ sẽ biết được các thông tin về hình dạng, kích thước của các bộ phận, sản phẩm cũng như các yêu cầu kỹ thuật.
Khác nhau
- Khi đọc bản vẽ lắp sẽ biết thông tin về sản phẩm nhiều chi tiết ghép lại với nhau, còn khi đọc bản vẽ chi tiết chỉ biết một phần chi tiết của sản phẩm.
- Với bản vẽ lắp cho biết hình dạng, kết cấu của sản phẩm và vị trí tương quan giữa các chi tiết của sản phẩm. Trong khi đó, bản vẽ chi tiết sẽ biết hình dạng, kích thước và yêu cầu kỹ thuật của chi tiết.
- Bản vẽ chi tiết có yêu cầu kỹ thuật, còn bản vẽ lắp có bảng kê.
- Trình tự đọc bản vẽ:
Bản vẽ chi tiết Bản vẽ lắp + Đọc nội dung trong khung tên (gồm tên sản phẩm, tỉ lệ và vật liệu)
+ Đọc hình biểu diễn (phân tích hình chiếu và hình cắt)
+ Đọc phân tích kích thước (gồm kích thước chung, kích thước các phần của chi tiết, kích thước lắp giữa các chi tiết và kích thước xác định khoảng cách giữa các chi tiết)
+ Yêu cầu kỹ thuật (gồm chỉ dẫn về gia công và xử lý bề mặt )
+ Tổng hợp (gồm mô tả hình dạng, cấu tạo và công dụng của chi tiết)
+ Đọc nội dung trong khung tên (gồm tên sản phẩm, tỉ lệ và vật liệu)
+ Đọc bảng kê (gồm tên gọi chi tiết và số lượng chi tiết)
+ Đọc hình biểu diễn (phân tích hình chiếu và hình cắt)
+ Đọc phân tích kích thước (gồm kích thước chung, kích thước các phần của chi tiết, kích thước lắp giữa các chi tiết và kích thước xác định khoảng cách giữa các chi tiết)
+ Phân tích chi tiết (vị trí của các chi tiết)
+ Tổng hợp (các trình tự tháo lắp và công dụng của sản phẩm)
Như vậy, bài viết trên đã giúp bạn đọc biết được công dụng của bản vẽ chi tiết là gì cũng như những thông tin liên quan khác. Cảm ơn các bạn đã theo dõi và hẹn gặp lại trong những chủ đề tiếp theo của chúng tôi.
THÔNG TIN LIÊN HỆ:
CÔNG TY TNHH MÁY CÔNG CỤ ATC
– Địa chỉ:
- HCM: 55/4E Tiền Lân 1, Bà Điểm, Hóc Môn
- Hà Nội: Thôn Đìa, xã Nam Hồng, huyện Đông Anh
– Hotline:
- Tư vấn bán hàng: 0902 419 483
- Hỗ trợ kỹ thuật: 0911 122 122
– Website: https://atcmachinery.com/
– Fanpage: https://www.facebook.com/atcmachinery/